| Sign In | Join Free | My hardware-wholesale.com |
|
Brand Name : UPE
Model Number : VIS050A-4055XX-AXX-XXXX / VIS050B-4100XX-AXX-XXXX
Certification : ISO9001
Place of Origin : China
MOQ : 5000
Price : $5-$7
Payment Terms : T/T
Supply Ability : 5KPCS/Day
Delivery Time : 10-15 working days
Packaging Details : PE
Name : Spring Loaded Connector
Pitch : 2.54mm
Pin number : 6pin
Material : Lead-freeC6801,SUS304,Black HTN
Spring force : 80g±20g,at 1.2mm working height.
Ful1 storke : 1.4mm
Mechanical life : 20000 cycle Min..
Current : 3A
Voltage : DC12V
Contact resistance : 50mΩ Max (PIN).
Salt spray test : 48H
Gold plating 6pin screw holes mnale and female spring loaded pogo pin connector.
Our design teams have vast experience in material sciences, electrical engineering, process engineering, and machine building. We apply this know-how to many diverse medical and industrial.
Avantages of UPE Spring-Loaded Connectors:
Spring-loaded connectors, commonly known as spring pins or pogo pins, offer several advantages:
Reliability: UPE Pogo pins using CLIP Technology provide a consistent and reliable electrical connection, even in environments subject to vibration and mechanical shock.
Compact Design: Their small size allows them to fit into tight spaces, which is ideal for modern, compact electronic devices.
Flexibility: Pogo pins can adapt to surface variations, ensuring a stable connection even if the mating surfaces are not perfectly aligned.
Ease of Use: They are user-friendly, with straightforward installation and maintenance.
Durability: They are designed to withstand numerous cycles of connection and disconnection, making them highly durable
Our Advantage and your choice:
UPE professional customized high current Pogo Pin with 15A-30A series, it has been mass produced.
UPE developed 2.54mm pitch standard male and female 2pin-40pin Pogo pin connector with SMT / DIP / Right Angle / Solder Cup.
Pogo Pin Life test up to 1000,000 cycles.
All products can pass HF, RoHS REACH standard.
100% electrical test provided report before delivery the goods.
Custom of various shapes is available, small structure and high current.
Why do customers choose UPE?
1. Professional customization service
2. Fast sample production capability
3. Strict quality control system
4. Processing with imported components
5. High-precision test equipment
6. Reasonable cost control procedures
6pin screw male pogo pin connector size:

6pin screw female pogo pin connector size:

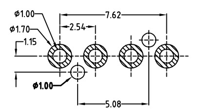
Recommended pcb layout
Layout tolerance:±0.05mm
Spring-Loaded Connector parameter performance
| Name | 6pin srew male and female pogo pin connector |
| Plunger | Lead-freeC6801,plating XXU" Min Au over 60~100U" Ni |
| Barrel | Lead-freeC6801,plating XXU" Min Au over 60~100U" Ni |
| Spring | SUS304 |
| Housing | Black HTN+30%GF UL94 V-0 |
| Screw | M1.60 |
| Spring force | 80g±20g,at 1.2mm working height. |
| Ful1 storke | 1.4mm |
| Mechanical life | 20000 cycle Min.. |
| Current | 3A |
| Voltage | DC 12V |
| Layout tolerance | ±0.05mm |
| Contact resistance | 50m Max (PIN). |
| Operating Temperature | -40℃~+130℃within 24 hours. |
| Resistance to Solding hear | 260℃±5℃ 20s±2s |
| Salt spray test | 48H |
| Certification | ROHS or REACH compliant product |
| Test | 100% open and short test |
Pogo Pin Connector consists of 6 parts:Plunger,Barrel,Spring,Ceramic beads,housing,Cap

Some of customized Pogo Pin Connectors for reference:

Product application field:

Pakaging & shipping

Any question, please send to union@upetech.net
|
|
Customized Spring Loaded Connector Gold Plating 6 Pin Pogo Connector Male And Female Images |